|
|
商品の詳細:
お支払配送条件:
|
| サイズ: | 1/4" | 材料: | ステンレス鋼 316 |
|---|---|---|---|
| スレッド: | BSPの女性糸 | 圧: | 6.3Mpa/1000PSI |
| シール: | ポリテトラフルオロエチレン | 弁のハンドル: | ビニール |
| ハイライト: | バット溶接球弁,ss の球弁 |
||
製品の説明
1PC球弁が媒体(水、石油およびガス)を制御するのにそこにですバルブ本体の中の弁の球使用されています。茎の回転によって、弁は開くか、または閉めることができます従って流れはこのように制御することができます。球弁のシールは堅いシールまたは柔らかいシール(PTFE)のどれである場合もあります。柔らかいシールの球弁は「0"があることができま漏ります。シーリングに高い条件があれば、柔らかいシールの球弁はよりよいです。
ボディ設計、1 PCの球弁が原因減らされた穴はです。
材料はステンレス鋼304または316である場合もあります。
設計基準:ANSI B 16.34
働き圧力:6.3MPAまで
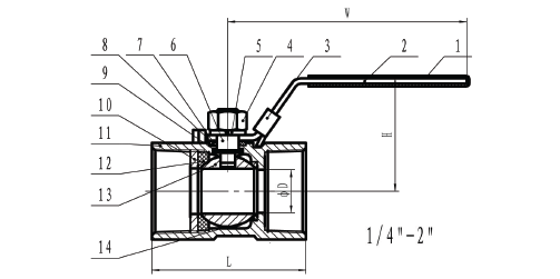
プロダクト細部
![]()
指定の細部

| サイズ | D | L | H | W | S |
| 1/4" | 4.6 | 39 | 31 | 65 | 17 |
コンタクトパーソン: admin